书馆banner

您的位置:首页 > 书馆 > 工程档案

超大直径盾构隧道联络通道冻结法施工关键技术——以北京东六环改造工程为例

作者:王磊, 杨哲, 董世卓, 孙长松 王恒, 陈红蕾  来源:隧道建设  发布:2026/1/21  浏览: + 放大字体 | - 减小字体

摘 要:为解决超大直径盾构隧道联络通道冻结法施工中面临的钻孔涌水涌砂风险高、造孔精度控制难、隧道支撑体系复杂、冻胀压力控制标准模糊、联络通道结构多次变径及冻土开挖效率低等关键技术难题,依托北京东六环改造工程 6 座冻结联络通道建设项目,研发并应用一系列创新技术与施工工艺。 针对超大直径盾构隧道几何特点和高水压富水地层条件,开发冻结钻孔吊篮式升降平台、高精度全站仪放线方法、大埋深高水压冻结孔口管防喷涌装置、复杂多断面变径结构工程三维可视化、旋挖钻机快速冻土掘进及 650mm 管片透孔精准封堵止水等关键技术。 研究结果表明: 1)提出的关键技术体系有效解决了超大直径盾构隧道联络通道冻结法施工钻孔涌水涌砂风险,实现了高精度安全造孔; 2)改进的支撑、冷排、泄压工艺及防护门设计有效控制了冻结风险,显著提升了冻结过程的安全性与可控性; 3)通过三维建模可视化指导结构施工,完成了通道结构 5 次变径、钢筋精准绑扎及衬砌精准浇筑等工作,并结合旋挖钻机进行冻土开挖,大幅提高了冻土的掘进效率,降低了工人的劳动强度,缩短了工期。

0 引言

随着我国国民经济的持续快速发展及城市化进程的不断推进,各大城市交通需求量逐年增长,地下交通正在被大规模开发用以缓解道路拥堵和改善城市环境。 地下隧道建设正在蓬勃发展,出现了公铁合建、公轨合建、单洞双线、双层隧道等多种隧道形式 。 其中,超大直径盾构隧道工程 ( 14m 及以上直径盾构隧道可以满足双层 4 车道或单层 3 车道的交通需求) 数量逐年增多 ,例如: 北京东六环改造工程隧道和武汉黄鹤楼隧道外径达 15. 4m,江阴靖江长江隧道外径达 15. 5m。 超大直径盾构隧道工程在建设过程中需构筑联络通 道、盾构始发井及接收井等必要附属结构,而这些附属结构的暗挖施工具有较高的风险。 联络通道作为连接超大直径双线隧道的横向通道,主要用于连通、排水、应急疏散及防火等。

在富水地层条件下的超大直径盾构隧道工程中, 隧道断面面积为常规地铁隧道断面面积的 7 ~ 10倍, 埋深也日益增加,导致联络通道开挖面临更高的地层压力和水压。 北京东六环改造工程 10# 联络通道最高水压达 0. 55MPa,甬舟铁路金塘海底隧道最高水压为0. 9MPa,青岛胶州湾第二海底公路隧道最高水压1.4 MPa。 隧道与联络通道交叉段的结构及周围地层因施工扰动而受力状态复杂;随着埋深增加,水压较常规联络通道高 5 ~ 7倍。因此,超大直径盾构隧道联络通道施工风险极高,给业主方及工程总承包方带来安全和质量管理压力,其施工质量是决定超大直径盾构隧道工程成败的关键因素之一。

为了降低超大直径盾构隧道建设风险,我国多数超大直径盾构隧道的联络通道采用冻结加固+矿山法暗挖的方式进行构筑。 冻结法是穿越复杂地层和富水软土地层的一种重要的施工方法,其运用人工制冷方法,将土体中水分冻结成冰,形成一个坚固、封闭的冻土环,用以抵抗水土压力和隔绝地下水,并在冻结壁保护下进行开挖构筑。 冻结法在富水软土地层隧道建设中的优势是其他工法难以取代的,相较其他地下特殊施工方法有着适用性强、绕障性好、无污染、施工便利等特点 。

目前,我国冻结施工的研究主要集中于埋深小于 30m的常规地铁隧道,对于超大直径盾构隧道冻结联络通道的研究仍显不足。 在深埋冻结技术研究方面, 学者们通过数值模拟与工程监测手段取得了一些成果。 例如: 高书豹等、王书磊分别基于武汉地铁 2 号线越江隧道( 埋深 50m) 和上海地铁 12 号线复利区间 2#联络通道下穿黄浦江冻结工程( 埋深 36m) , 验证了冻结壁在高水土压力下的结构稳定性; 李相征通过温度场模拟揭示了深埋冻结帷幕的时空演化规律; 郑光辉通过武汉地铁 3 号线工程实测数据验证了深埋冻结施工的安全性; 凌宇峰等介绍了内径 13. 7m上海长江隧道 8 座联络通道冻结设计及施工风险控制方案。 尽管已有大量学者针对联络通道冻结施工工艺开展研究,但研究对象多集中于中小断面隧道,例如: 上海地铁 2号线、南京地铁 1号线、武汉地铁 2号线、长沙地铁 2 号线、武汉地铁 21 号线等线路联络通道采用冻结施工,多数地铁直径均为外径 6. 2m、内径 5. 5m,断面较小。上海长江隧道( 内径 13. 7m,外径 15m) 、北京京沈高铁隧道( 内径 9. 5m, 外径 10. 5m) 联络通道采用冻结法施工,且断面较大, 可以为北京东六环隧道冻结施工提供参考,但上海长江隧道联络通道最大埋深仅 23. 4m ,北京京沈高铁隧道联络通道最大埋深为 27. 4m,与北京东六环冻结联络通道工程在风险控制方面仍存在较多不同。 大埋深超大直径盾构隧道冻结工程在钻孔工艺、隧道支撑、冻土开挖及临时支护等方面与常规联络通道施工存在显著差异,面临埋深大、水压高、管片厚度大、隧道内径大、隧道结构存在口子件、钻孔距离长、支撑体系复杂及通道结构复杂等难题,传统常规直径、浅埋深联络通道施工方法难以适用。

本文依托北京东六环改造工程超大直径盾构隧道冻结联络通道隧道施工需求开展研究,提出超大直径盾构隧道冻结钻孔吊篮式升降平台、大埋深高水压冻结孔口管防喷涌技术、大厚度管片“ 二次开孔” 工艺及泥浆改进、650mm厚度隧道管片透孔封堵止水工艺等多种关键技术与工艺改进。

1 工程概况

北京市东六环( 京哈高速—潞苑北大街) 改造工程是北京城市六环路入地项目,隧道南起京哈高速,北至潞苑北大街,全长 9. 16km,盾构直径为 16. 07m,隧道外径为 15. 4m,内径为 14. 1m,全线采用冻结法建设联络通道 6 座。 北京东六环超大直径盾构隧道联络通道示意如图 1 所示。

图 1 北京东六环超大直径盾构隧道联络通道示意

6 座联络通道按施工顺序分别为 12#、11#、10#、9#、 7#、6#。 联络通道参数如表 1 所示。

表 1 联络通道参数

由表 1 可知: 12#、7#、6#联络通道顶部埋深分别为27. 2、35. 3、34. 5m,属于浅埋联络通道;11#、 10#、9# 联络通道顶部埋深分别为 44. 0、62. 8、50. 2m,所处地层埋深较大,水压较高,属于深埋联络通道。

项目采用“ 隧道内水平冻结加固土体,隧道内暗挖构筑” 的全隧道内施工方案。 与国内其他超大直径盾构工程相比,本工程隧道断面更大、埋深更大、地层条件更为软弱,施工风险显著增加。 本工程建设属于大埋深、大断面、高水压地层水平冻结工程,冻结过程中需设计更厚的冻结壁以承受较高的水土压力。

1. 1 联络通道冻结与结构设计

根据联络通道埋深不同,6#、7#、12# 联络通道冻结 壁设计厚度为 3m,9#、10#、11#联络通道冻结设计厚度为 3. 5m。 冻土帷幕平均温度不高于-12℃ 。 本文以 3 座深埋联络通道为研究对象,因联络通道埋深较大,冻结采用双排孔设计方式 ( W 排、N 排) 布孔, 其中,外排孔( W 排) 由西线隧道向东线隧道钻进,内排孔( N 排) 由东线隧道向西线隧道钻进,内排孔与外排孔形成杯型套打模式,通过内外排孔联合冻结以达到冻结壁设计厚度。 9#、10#、11# 深埋通道冻结孔开孔位置如图 2 所示。 主要冻结参数如表 2 所示。

图 2    9#、10#、11#深埋通道冻结孔开孔位置

表 2 主要冻结参数

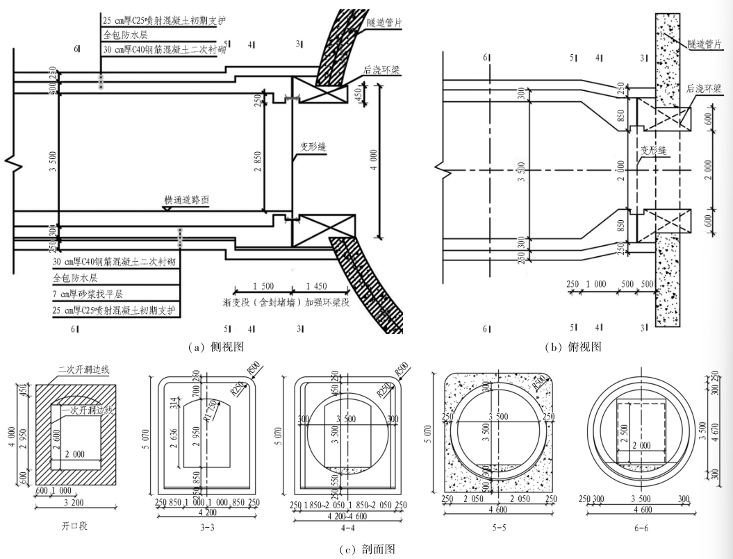
联络通道处隧道管片浇筑时,考虑到联络通道开口后管片结构强度的弱化,对通道开洞处 2 环管片进行特殊设计与补强。主要措施为: 联络通道开洞位置的 2 个特殊环管片采用通缝拼装,特殊环与相邻普通环采用错缝拼装。特殊环采用加强配筋,钢筋直径由普通环的 25mm 增至 32mm,并在开洞区域预埋 20mm钢板形成钢混组合结构,增强开孔后的承载能力。

1. 2 相较常规地铁隧道联络通道施工难点

1) 联络通道埋深大,水压高,且处于富水砂层,涌水涌砂风险大。北京东六环隧道冻结联络通道的埋深显著高于常规地铁冻结联络通道工程,尤其10# 联络通道为目前国内埋深最大的冻结联络通道,冻结孔底部埋深达 70m。地层处于承压水层,开挖区域富含细砂及粉细砂, 含水量高且流动性强, 水压最高达0.55 MPa。 冻结孔穿透管片时,涌水涌砂风险较高, 施工中需采取防喷涌措施并优化钻具组合,以实现及时止水与封孔,严格控制土体流失及涌水涌砂风险。

 2) 隧道断面大,冻结孔施工对造孔精度要求高, 且东西线联络通道间存在高差和水平偏角,钻孔控制难度大。 北京东六环盾构隧道外径为 15. 4m,内径为 14. 1m,钻孔平台断面大且高度较大,导致放线作业困难。 同时,东西线隧道间存在垂直高差与水平倾角,如 11#通道高差达 1. 1m( 约 3°) ,增加了钻孔控制难度。 多个通道冻结孔单孔长度超过 20m,尤其 12#联络通道前期采用 MJS 高压旋喷桩加固地层后,地层软硬不均,对钻具组合优化及钻进工艺提出了更高要求。

3) 打钻平台及主隧道支架体系规模大,安装与拆除难度高,施工周期长。 冻结钻孔平台的自身质量较大且高度较大,安装钻机及钻孔过程中存在失稳风险。为确保开挖期间隧道结构的稳定性,单个联络通道设计布置 8 个预应力支撑,每侧隧道 4 个,单个支撑质量达 10. 5t,8 环总质量约 100t。 隧道内预应力支撑的吊装难度大,安装与拆除周期长,且存在一定的安全隐患。 

4) 联络通道冻土体量大,冻结过程中若泄压不及时,易对管片造成损伤。 北京东六环 11#、10#、9# 深埋联络通道冻结壁厚度设计为 3. 5m,相较常规地铁联络通道冻结壁更厚,冻土体量更大,冻结过程中冻胀压力显著。若泄压措施未能及时实施,可能对管片结构造成损伤。 

5) 联络通道结构复杂,存在多种断面变化,对开挖精度及混凝土浇筑要求更高。联络通道结构设计断面变化多样,整体结构包含 5 次变径,对开挖精度及模板支撑体系提出了更高要求。若钢筋绑扎存在偏差, 可能导致净空不足或超挖、欠挖等问题。 

6) 冻土开挖距离长,冻土凿除困难,掌子面开挖片帮风险高,变形需严格控制。 6 座联络通道开挖地层多为富水砂层,冻结后强度较高,且通道线间距较大,开挖断面大,冻土凿除难度增加。 同时,北京东六环隧道内部作业机械较多,冻结站及冷却塔产生的热量使隧道内温度较高,开挖区域冻土解冻后易发生软化掉落。 施工中需对掌子面土体进行严格控制与监测,以确保施工安全。

2 施工关键技术研究

针对超大直径盾构隧道联络通道冻结工程的技术难点与关键问题,本研究结合现场实际情况开展技术创新与攻关,取得多项技术突破,开发并应用以下关键技术。

2. 1 冻结钻孔吊篮式升降平台及孔位精准定位方法

针对冻结孔施工对造孔精度的高要求,以及东西线隧道间存在的高差与水平偏角导致的钻孔控制难题,设 计一种新型钻孔平台。 该平台分为上、中、下3 层,中部为吊篮式施工平台,如图 3 所示。

图 3 超大直径盾构隧道冻结钻孔吊篮式升降平台

上部升降作业平台采用 H 型钢框架体系, 设置 6 根截面尺寸为 150mm×150mm 的 H 型钢立柱,配置 4 根 H 型钢横梁构成升降台面主体结构。 作业面层铺设满铺式木质承压板( 厚度≥50 mm) ,结构稳定性通过 ϕ48 mm×3. 0mm 钢管斜撑及 10# 槽钢侧向约束体系保障。平台底部采用 M24 膨胀螺栓与管片基础锚固,顶部设置侧向限位装置。 平台搭设完毕后,将钻机及相关设备定位至作业平台,通过角度调节装置实施跟管钻进工艺。

箱涵内升降平台采用 4 根 150mm的 H 型钢立柱支撑体系,台面由 4 根 20a工字钢梁构成升降台面,内部设置工字钢 12 竖撑加强体系,平台上满铺厚木板, 采用 ϕ48 mm×3. 0mm 钢管作为侧拉杆和剪刀撑设置在平台 3 个侧面以保证架体的整体性,平台底部与箱涵结构通过预埋件刚性连接。将钻机等设备放置于升降平台上,在箱涵侧墙上开孔,将冻结管伸出箱涵进行跟管钻进。

针对上部、下部升降平台施工盲区问题,研发吊篮式过渡升降平台系统,采用 4 根 20a工字钢作为平台支架立柱体系,内部设置间距 1m 的工字钢 12 竖撑加强结构。 该平台与上部横梁采用 20a 工字钢横梁悬吊,可实现短管冻结孔的精确跟管钻进施工。 平台结构设计充分考虑超大直径盾构隧道的高度及孔位分布特点,有效解决了钻孔高度大、孔位宽度大及箱涵位置钻孔难等问题。

传统地铁联络通道冻结孔放线方法是根据隧道中线通过测量弦长的方式拉线测斜,但在超大直径盾构隧道联络通道冻结孔位放线中,因为隧道直径较大,冻结孔设计高度较大,这种方式不适用于超大直径盾构隧道工程。 研究使用全站仪进行放线,全站仪采用隧道中心点控制方法,建立 2 条隧道之间的局部坐标系, 进而通过里程换算坐标,通过全站仪发射激光测量找出精确冻结孔坐标,采用升降车进行标注得到放线孔位。 该方法放线精度≤5mm、放线速度快,适用于超大直径盾构隧道联络通道施工,避免了传统拉弦长方法造成的爬高、跌落风险。钻孔施工表明,多个透孔在理论穿出位置 10cm以内精准穿出。

2. 2 大埋深高水压冻结孔口管防喷涌技术

针对东六环联络通道位置埋深大、水压高且穿越富水砂层的特殊工况,为防控钻孔施工出现涌水涌砂风险,研发孔口防喷涌集成装置和施工技术。 钻孔施工前,首先植入 6 根 M20 化学螺栓,植入深度不小于 200mm,将加固钢板固定在主隧道管片内弧面上,之后在钻孔位置使用金刚石取芯钻机开孔,开孔深度为 400mm,将孔口管缠绕麻丝后嵌固。 同时,孔口管与加固钢板采用满焊工艺实现与加固钢板的可靠连接, 并在孔口管径向对称位置增设 4 组三角形加劲肋板进行结构补强,如图 4 所示。

图 4 大埋深高水压冻结孔口管防喷涌装置

孔口管安装完成后,按序装配开关球阀、防喷涌套筒、盘根式动态密封套筒。 施工时,将钻杆伸入套筒段 内部,并将高耐磨挤压盘根缠绕安装至冻结管与盘根套筒之间的空隙,单孔盘根长度不低于 2000mm,动态密封深度≥400mm,满足 20m 以上钻孔施工的盘根磨损需求。 经现场原位抗拉试验验证,该防喷涌装置极限抗拉承载力达 522kN。 通过增设径向对称分布的三角形加劲肋板,显著提升装置抗弯折强度,在钻杆偏载工况下仍保持结构完整性,有效降低了钻孔涌水涌砂风险。

2. 3 大厚度管片二次开孔工艺及泥浆改进工艺

传统隧道冻结施工时,隧道管片一次开孔装入孔口管后需进行二次开孔工艺,即管片一次开孔以后需拔出取芯钻,再下放冻结管钻进。 但因北京东六环隧道埋深大、水压高,二次开孔风险极大。 为保证施工安全,优化钻孔钻进方法,将冻结孔传统钻头改为金刚石复合片钻头,其具有良好的导向性,且钻进能力强,具有较强的抗研磨性,可以直接磨透 650mm 厚钢筋混凝土隧道管片,取消二次开孔流程,有效管控钻孔风险。 新型钻头与冻结钻孔工艺如图 5 所示。

图 5 新型钻头与冻结钻孔工艺

施工过程中,因 11#通道及 10# 通道地层为铁板砂层,冻结孔在钻孔过程中频繁抱钻,常规膨润土使用量较大,成本较高。 为降低成本,施工过程中将原有膨润土泥浆改为高分子泥浆材料,高分子泥浆润滑效果较好,适合铁板砂层长距离钻孔。 在后期多个通道钻孔过程中未发现抱钻现象,1个 20m 钻孔使用高分子泥浆干粉量约为 1kg。

2. 4  650mm 厚度隧道管片透孔封堵止水工艺

联络通道最大水压达 0. 55MPa,管片厚度大,透孔透穿对侧管片时如果无法封堵钻孔空隙,易发生涌水涌砂风险。 施工过程中优化透孔钻具组合,根据管片厚度将封堵止水管加长,使透孔既能穿出大厚度隧道管片,又能准确封堵空隙。 透孔取芯钻具组合为: 金刚石钻头+加长管+单向 阀+锥形管( 封堵止水管) +正常跟管钻进冻结管。 该组合效果较好,在埋深 70m的 10# 通道能做到滴水不漏,实现有效封堵650 mm 隧道管片透孔止水工艺及封堵效果如图 6 所示。

图 6  650mm 隧道管片透孔止水工艺及封堵效果

2. 5 大断面应急防护门设计与安装

安全应急门是在联络通道开挖过程中,若发生冻结壁位移变形超限或冒泥、涌水等险情,在所有其他抢救措施均无效的紧急情况下,为保障隧道安全而启用的一种安全保障装置。 防护门在开管片前安装,门体必须保证耐受一定的密封压力。 根据联络通道结构施工图,防护门尺寸为 2900mm × 2383mm。 防护门设计耐压值为: ( 防护门顶端处的水平水压力+门底端处的水平水压力) × 1. 4的安全系数。 因本工程埋深较大,设计耐压值较大。 防护门压力设计值与试验值如表 3 所示。

表 3 防护门压力设计值与试验值

安全防护门是发生漏水事故后的一道屏障,设计防护门厚度较大,重量较大,因此需要做好安装措施, 主要有: 1) 防护门、设备材料的匹配选择,包括门框侧页与管片、门框与门匹配; 2) 入场后对防护门尺寸进行测量校核,检查运出过程中是否变形; 3) 现场运输吊装防止对防护门进行破坏; 4) 接茬部位采用水不漏、密封、焊接胶条等措施进行密封; 5) 安全防护门安装完成后必须进行密封性试验,耐压试验压力不小于底部水土压力值,并配备风量不小于 6m3/min 的空压机为防护门供气。 防护门需在标准段二次衬砌结构施工完成后,方可拆除。

2. 6 超大直径盾构隧道支撑安装及冷排工艺改进

联络通道开挖之前需安装隧道支撑,以防止开管片及开挖过程中隧道失稳及冻胀作用。 隧道支架在积极冻结开始前安装,但须在冻结交圈前安装完毕。 因主隧道直径大,设计支架体系较大,支架单榀质量达 10. 5t,安装周期长,拼合难度大。 超大直径盾构隧道支撑结构如图 7 所示。

图 7 超大直径盾构隧道支撑结构

经现场多次尝试,采用转运机械配合人工葫芦方法安装效率最高。 即: 在上部隧道螺栓孔上满焊吊耳,通过手拉葫芦提升单块结构,分块分段安装,主要安装流程为: 1) 隧道支架由下至上先安装弧形支架, 再进行内部支撑连接加固,最底部型钢支架与弧形内衬交界面位置采用 6 根 ϕ14mm 钢筋进行植筋加固。 2) 弧形型钢支撑由下至上安装,节点之间使用 M24 高强螺栓进行连接。 内部型钢角撑采用焊接的方式进行加固,焊缝高度不小于 6mm。 3) 隧道支架安装后顶实千斤顶,然后对千斤顶处隧道支撑截面采用钢板焊接连接加固。 4) 隧道支架安装完成后, 拱顶使用 2 道 HW200型钢进行连接加固,将 4 榀支架连成一体。 该方法安装效果好, 但安装时间较长、所需人工较多, 1 个联络通道需要在通道两侧隧道内各安装 4 榀支撑,合计 8 榀支撑,安装时间约 29d( 不含拆除) 。

原有隧道表面的冷冻排管设计为横向贴布,此种方式优点为无需进行排管弯折,但因隧道支架安装为垂直于隧道走向,横向冷排将影响支架安装,因此后续施工中将冷排管改为竖向排布,提前采用弯管机将冷排管弯成隧道弧度,同时调整冷排工序在支架安装完成以后安装,实现各工序互不干扰,显著提高了施工效率和冻结效果。 超大直径盾构隧道支撑与改进冷排工艺如图 8 所示。

图 8 超大直径盾构隧道支撑与改进冷排工艺

2. 7 大体量冻土冻胀压力及泄压工艺改进

在泄压孔内安装压力传感器,用于监测冻结过程中产生的冻胀压力。 冻胀压力监测有 2 个目的: 1) 验证冻结壁是否完全交圈。 冻结壁交圈后,通道内部水分受挤压导致压力升高,若泄压后压力多次回升,则表明冻结壁已形成完整闭合。 2) 实时监测冻胀压力的变化趋势,以评估管片受压状况,避免因冻胀压力过大引发管片错台或压裂等问题。 根据现场施工监测数据,11#通道冻胀压力达到 1. 15MPa,9# 通道冻胀压力达到 1. 3MPa,均表现出较高的压力水平。 11# 通道泄压孔压力监测及泄压如图 9 所示。

图 9  11#通道泄压孔压力监测及泄压(2023年)

结合特殊环管片的局部最大承载能力,在后续施工中根据通道埋深不同考虑不同的泄压压力,大埋深的 10#通道在 1. 1MPa 开启泄压,浅埋深 7# 通道及 6# 通道在 0. 9MPa 时实施泄压。 通过调整泄压压力和压力传感器的实时监测工艺,不仅有效确认了冻结壁的完整性,还显著降低了冻胀压力对管片结构安全的潜在威胁。

2. 8 复杂多断面变径结构工程三维可视化

联络通道钻孔数量多,偏斜复杂,多个通道存在补孔;开挖结构断面复杂,整体结构分为 5 次变径,钢筋绑扎及模板支设容易出错。 联络通道结构存在复杂变径如图 10 所示。

图 10 联络通道结构存在复杂变径(单位: mm)

施工期间基于 Hypermesh 数值软件建立三维模型,并根据实际测斜数据将冻结孔和结构可视化,以提前发现问题,规避风险,见图 11( a) 。 通过三维建模发现原设计结构存在多个问题,如原设计初期支护钢筋网架为矩形结构,开挖荒径在四角位置存在较大直角,开挖后冻结壁有效厚度仅能达到 2. 9m, 不满足设计厚度 3. 5m,初期支护开挖时可能造成冻结壁击穿等事故。 及时联系设计方修改初期支护设计,同时为管控最深 10# 通道施工风险,在通道弯角冻结壁薄弱位置增加 4 个补孔。 其中,B1、B2 在西线施工,B3、B4 在东线施工,以满足冻结壁厚度要求,见图 11( b) 。

图 11 复杂结构三维建模

2. 9 大埋深联络通道开挖掘砌顺序优化与旋挖钻机快速掘进

大埋深高水压联络通道开挖掘砌顺序改进如图 12 所示。 在超大直径盾构隧道冻结联络通道的浇筑施工中,以伸缩缝为分界线,存在 2 种不同的施工方法。 第 1 种方法是将混凝土一次性浇筑至两侧管片, 优点是可以快速封闭冻结壁,避免涌水涌砂事故;但该方法造成后续两侧管片环梁的施工缺少工作面,需通过取芯切割管片以扩大环梁,导致施工工期延长 7d。 第 2 种方法是将混凝土浇筑至伸缩缝处( 见图 12 伸缩缝位置) ,此方案为绳锯切割作业提供了较大的操作空间,可以有效加快施工进度;但该方法存在一定的弊端,即伸缩缝与管片区域需长时间暴露以等待环梁切割和模板支设,可能导致冻结壁融化,进而引发涌水涌砂的风险。 因此,施工方案的选择需在安全性和施工效率之间进行综合权衡。

图 12 大埋深高水压联络通道开挖掘砌顺序改进

为确定优化的施工方案, 进行了对比试验。 在 12#通道中,采用一次性浇筑至两侧管片的方法;在 11# 通道中,采用浇筑至伸缩缝处的施工方法。 试验结果表明,浇筑至伸缩缝处的方法施工效率更高,但需加强安全监测以应对潜在风险。 基于此结果,后续 4 个通道均采用了浇筑至伸缩缝处的施工方案。 联络通道的开挖与砌筑顺序经过优化后,具体步骤如下: 西线管片开洞门—试挖—联络通道土方开挖至东线隧道管片—随挖随支(初期支护格栅架设及混凝土喷射)—施工防水层—支模板—浇筑通道伸缩缝中间标准段结构施工—拆模—西线管片二次开孔—西线管片渐变段及加强环梁结构施工(施作伸缩缝)—东线管片一次整体开孔—东线管片渐变段及加强环梁结构施工(施作伸缩缝)—充填注浆—融沉注浆。

通道开挖过程中,发现冻结效果良好,冻土侵入开挖荒径内部,内部溏心土体较少,导致常规风镐开挖效率低下,人工劳动强度较大。 为提升施工效率并降低工人劳动强度,现场引入旋挖钻机进行开挖。使用旋挖钻机后,开挖进度显著提升,其效率相当于 6人开挖班组的开挖进尺。 该技术有效减少了风镐凿除冻土时产生的高噪声和高粉尘,改善了施工环境。 同时,施工期间对掌子面土体进行严格控制与监测,严格控制超挖距离,初期支护桁架 2榀 1喷,并采用全站仪定时测量冻土空帮变形。 在掌子面处增设木背板,防止掌子面土体化冻掉块出现伤人事故。 掌子面控制与喷浆封闭如图 13 所示。

图 13 掌子面控制与喷浆封闭

3 结论与建议

基于北京市东六环( 京哈高速—潞苑北大街) 改造工程 6 座联络通道冻结工程,系统研究了超大直径盾构隧道冻结联络通道的特殊施工难题,研发了成套冻结施工关键技术体系, 实现了钻孔定位精度≤5mm、开挖阶段零涌水事故等技术指标,显著提升了复杂地层冻结法施工的工程可靠性。主要结论如下: 

1) 基于超大直径盾构隧道冻结钻孔吊篮式升降平台、大埋深高水压冻结孔口管防喷涌技术、大断面冻 结孔全站仪放线方法、大厚度管片二次开孔工艺及泥浆改进工艺、650mm 厚度隧道管片透孔封堵止水工艺等施工关键技术,设计的新型防喷涌装置极限抗拉承载力达 522kN,严格控制了超大直径盾构隧道冻结联络通道钻孔过程中承压水地层的土体流失及涌水涌砂风险,多个透孔在理论穿出位置 10cm以内精准穿出。 实现了大埋深冻结高精度安全钻孔,为后续积极冻结和开挖做好前续工作。

2) 通过复杂多断面变径结构工程三维可视化、大埋深联络通道开挖掘砌顺序优化与旋挖钻机快速掘进 等工艺,旋挖钻机效率相当于 6人开挖班组,有效减少了风镐凿除冻土时产生的高噪声和高粉尘。 同时,精准完成了整体结构 5 次变径及钢筋绑扎、模板支设等工作,实现了超大直径盾构隧道冻结联络通道冻土快速开挖、衬砌精准浇筑,极大降低了人工劳动强度,提高了冻结通道开挖的安全性。

 3) 施工过程中,采取了超大直径盾构隧道支撑安装及冷排工艺改进、大体量冻土冻胀压力及泄压工艺改进、大断面应急防护门设计与安装等优化措施,实现了大体量冻土冻胀压力精准控制,安全快速地完成了超大直径盾构隧道支撑与防护门安装,为冻结联络通道安全建设提供了有力保障。 

以上技术可以为超大直径盾构隧道冻结联络通道的特殊施工难题提供技术参考,但大埋深高水压冻结孔口管防喷涌技术、大厚度管片二次开孔工艺及泥浆改进等关键技术因成本较高,在小直径隧道断面冻结联络通道等施工中实用性不足,但可作为安全冗余为施工提供借鉴参考。下一步,可通过对超大直径盾构隧道冻结联络通道冻结温度数据、地表变形数据、管片应变数据、隧道支撑数据深入分析,不断完善超大直径盾构隧道联络通道冻结施工工艺,优化冻结施工方法, 提高施工控制水平。

隧道网版权及免责声明:

凡本网注明“来源:隧道网”的所有作品,版权均属于隧道网,未经本网授权,不得转载、摘编或以其它方式使用上述作品。已经本网授权使用作品的,须在授权范围内使用,并注明“来源:隧道网”。违反上述声明者,本网将保留追究其相关法律责任的权利。凡本网来源注明为非隧道网的作品,均转载自其它媒体,转载目的在于传递更多信息,该文章仅代表作者观点,并不代表本网赞同其观点或对其真实性负责,请读者自行核实相关内容,仅作参考。如因作品内容、版权和其它问题请与本网联系。

关键词

相关文章

网友评论

发表评论

发表评论 (回复限1000字以内!)

加载更多...


隧道网手机版
隧道网微信公众号
╳ 关闭