书馆banner

您的位置:首页 > 书馆 > 工程档案

深江铁路珠江口海底隧道设计关键技术

作者:宋超业, 刘文骏, 贺维国, 于勇, 吕书清  来源:隧道建设  发布:2025/12/15  浏览: + 放大字体 | - 减小字体

摘 要:以目前我国埋置最深(115 m)、水压最大(1.06 MPa)的海底隧道珠江口隧道为工程背景,采用工程类比和综合比选的方法,对复杂环境铁路海底隧道的设计关键技术,包括总体施工方法选择、盾构段设计、矿山段设计、海域对接和斜井降水设计等进行研究,提出结合不同区段地质情况及关键因素采用盾构和矿山组合工法。 研究结果表明: 1) 盾构管片厚度根据最大水压力分段设计,接缝防水采用内外双道三元乙丙弹性密封垫的布置形式; 盾构换刀根据不同水压考虑采用常压换刀、减压限排换刀或设置检修点一次性通过不良地层的模式。 2)矿山法段隧道结构承受水压力根据地质条件差异确定,按0.2MPa 进行核算,防排水考虑超前注浆控制排水量,排水系统可维护。 3)盾构-矿山法海域对接优先采用开挖拆机硐室方案,同时预留盾构原位拆解的条件; 邻近海域隧道斜井穿越透水地层时,采用降水可以保障地层稳定。

0 引言

1944 年日本在关门海峡采用矿山法修建了世界上第一座海底隧道关门海底隧道,自此其他国家如英国、法 国、 挪威及丹麦等陆续修建海底隧道。我国是一个海洋大国,拥有漫长的海岸线和丰富的海岸带资源,由于江海阻隔,严重影响了国家整体快捷交通路网的形成与城市的均衡发展。 相比于桥梁工程,海底隧道具有不占地、不妨碍航行、不影响海洋生态环境和全天候运营的优势,近些年在我国得到迅速发展。

传统过海隧道建造方式根据地质和环境条件大多采用单一的沉管法、盾构法或矿山法,其中,盾构法采用掘进机开挖,适用于软土地层,掘进速度快,如珠海隧道; 矿山法采用爆破方式开挖,适用于硬岩地层,如武广高铁浏阳河隧道、厦门翔安海底隧道及青岛胶州湾隧道等。 盾构法工效高,但地质适用性较差,遇到硬岩或断层破碎带等不良地质,容易出现刀盘严重磨损、卡机、停机等问题; 矿山法施工处置灵活,在硬岩中施工效率高,造价低,对岩层中的不良地质适用性强,但在淤泥、砂土、黏土等软土地层中施工困难,地层加固成本高,工效相对较低。 长大过海隧道不可避免遇到复杂多变的地质条件,单一施工方法已无法满足安全、快速掘进要求,需要利用组合方法的优势进行对接施工,这也是海底隧道建设的发展趋势。

目前,海底隧道相关研究大多关注大型工程的具体实施方案,在工程可行性分析、方案比选和总体设计等方面的成果较多。 张治国等、王明年等通过理论和现场量测等方法研究了隧道衬砌外荷载情况; 黄伟真等考虑流固耦合效益分析了海底隧道地震响应规律; 陈湘生等、武哲书等聚焦极端环境研究了隧道建设面临的主要问题。

深江铁路珠江口隧道面临 1. 06 MPa 的超高水压,为我国埋置最深、水压最大的海底隧道,地质环境极其复杂,目前尚缺乏相关工程经验。 以此为背景,本文将详细介绍复杂环境下高水压铁路海底隧道设计关键技术,包括总体施工工法选择、盾构段设计、矿山段设计、海域对接段设计以及斜井降水设计等,相关工程经验以期为我国海底隧道工程建设提供参考。

1 工程概况

1. 1 隧道设计概况

珠江口隧道( 见图 1) 是新建深江铁路的重点工程,穿越珠江口海域,连接东莞虎门和广州南沙,隧道全长 13. 69 km,穿越海域长度约 11 km。 采用高速铁路标准,设计速度为 200 km/h,单洞双线。 隧道由5520 m矿山法隧道、6520m 盾构法隧道及 1650m 明挖法隧道(含 2 座工作井)和 1 座斜井组成。

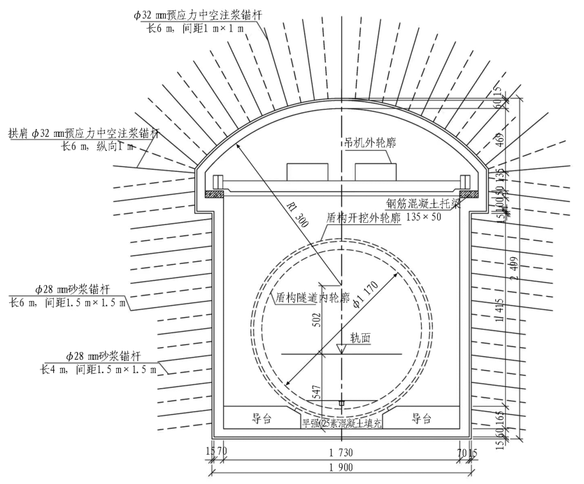
根据隧道内净空有效面积要求,拟定盾构隧道内径为11. 7 m。 隧道轨面以上净空有效面积为74. 05m2。 隧道内轮廓断面布置如图 2 所示。

图 1 珠江口隧道地理位置

图 2 单洞双线盾构断面(单位: mm)

综合考虑隧道的埋深、经济性、盾构管片接缝形式等因素,本工程混凝土管片厚度采用分段设计,厚度分
别为 600mm和550mm,环宽 2. 0m。衬砌环分成9块,错缝拼装, 通用楔形环, 楔形量为40mm ( 双面楔形) 。

矿山法断面的选择主要考虑使用功能和施工风险。 隧道采用复合式衬砌结构,考虑到海域段隧道地下水压力大,隧道断面采用马蹄形断面,设置仰拱。 初期支护根据不同围岩级别采用喷锚或格栅钢架支护,二次衬砌为钢筋混凝土结构。 矿山法单洞双线断面轨面以上有效内净空面积为 81. 37m2。 矿山法单洞双线断面如图 3 所示。

图 3 矿山法单洞双线断面(单位: cm)

1. 2 地质与环境

1. 2. 1 地质构造

隧道场区分布有北西向狮子洋断裂束及白坭—沙湾断裂,勘察揭示了 F1、F2、F3-1、F3-2 共3组断裂破碎带,7 条次生断裂带。 断裂带位置及穿越断裂带情况分别如图 4 和表 1 所示。

1. 2. 2 工程地质

场区位于珠江水道下游三角洲平原,海域段最大水深 18m左右 隧道穿越地层地质条件复杂多变,陆域段两侧基岩面低,虎门侧以白垩系含砾砂岩为主,南沙侧以元古界震旦系片岩为主; 海域段大部分中、微风化基岩岩面起伏大,以燕山晚期侵入岩花岗岩为主。微风化含砾砂岩饱和抗压强度统计平均值约 19 MPa,最大达 33 MPa,微风化花岗岩、片岩饱和抗压强度统计平均 值 约 70 MPa, 最大可达200 MPa, 强度差异性大。

图 4 珠江口隧道断裂带位置

表 1 隧道穿越断裂带情况

地下水主要为上层滞水、松散岩类孔隙水、风化基岩孔隙裂隙水和基岩裂隙水 4 种类型,以弱富水为主,
局部段落中等富水,预测矿山段正洞全长裸洞最大涌水量为 1. 5×105 m3/d,斜井最大涌水量为 1. 7×104 m3/d。海域段为海洋氯化物腐蚀环境,氯盐环境作用等级为L3,盐类结晶破坏环境作用等级为 Y2。

1. 2. 3 环境条件

珠江口隧道沿线规划航道信息如表 2 所示。 隧址穿越海域有东莞市黄唇鱼自然保护区,两侧有威远岛
炮台、海战博物馆历史文物古迹、南沙天后宫以及湿地公园等敏感区域,环保要求高。 珠江口隧道平面如图5 所示。

表 2 规划航道信息

图 5 珠江口隧道平面图

1. 3 工程特点

1) 建设规模大。 隧道长 13. 69 km,穿越海域长度达 11 km,是国内最长的铁路水下隧道。

2) 水域隧道埋深大,隧道承受水压力大。 穿越海域最大水深为 18 m,隧道最大埋深为 115 m。

3) 环境条件复杂。 沿线港口、码头密集,航道等级高; 河床水深变化大、地质条件复杂多变。

2 隧道总体施工方法选择

水下隧道的施工方法与工程的造价、工期、安全、效率等密切相关,一般根据地质条件、工程风险、环境影响、运营功能和建设工期等因素进行综合比选确定。考虑本隧道实际条件,隧道施工方法主要在矿山法和盾构法之间进行比选。

2. 1 全盾构法方案

隧道考虑尽量浅埋, 采用单洞双线方案, 盾构外径为 12. 8 m,水域盾构段总长度为 11940 m,分为东、西 2 段,长度分别为 6 950 m 和 4 990 m。 全盾构工法隧道纵断面示意如图6所示。东段盾构隧道采用2台盾构施工,两端始发,中间对接施工;西段盾构隧道采用 1 台盾构施工; 两端岸上段采用明挖法施工, 总长度为1650m。 隧道施工总工期约52. 5月。

图 6 全盾构工法隧道纵断面示意图(单位: m)

2. 2 盾构法+矿山法组合工法方案

考虑线路海域中部为中微风化岩层,隧道采用深埋、单洞双线方案,水域段两端采用盾构法施工、中间硬岩段采用矿山法施工。 盾构+矿山组合工法隧道纵断面示意如图 7 所示。 矿山法段隧道长5520 m,通过在南沙岛岸边设置斜井施工,斜井长1160m; 盾构法段总长6520 m, 分 东、 西 2 段, 分别为3590 m 和2930 m,采用 2 台复合式泥水平衡盾构分别从两端盾构井始发,至海中矿山、盾构工法分界处解体; 两端岸上段采用明挖法施工,总长为 1650 m。 隧道施工总工期约 56 月, 工程投资相对于全盾构方案减少 8. 05亿元。

图 7 盾构+矿山组合工法隧道纵断面示意图(单位: m)

2. 3 工法比选分析

由2个方案对比分析可知: 1) 两端盾构隧道段,全盾构方案掘进的上软下硬地层相对较短,且水压低;组合工法方案两端盾构隧道水压略高,对盾构密封、换刀及管片防水要求高。 2) 中间隧道段,组合工法方案矿山隧道穿越 F2 断层,存在突泥涌水的风险,且注浆堵水难度大、费用高; 全盾构方案盾构隧道穿越较长的上软下硬地层,刀具磨损大、换刀频繁,且需要注意弱、微风化岩面线紧贴于基底处,存在局部未探明硬岩侵入盾构掘进范围的未知风险,可能对盾构掘进姿态及参数调整造成影响。 3) 盾构法+矿山法组合工法方案 矿山法段运营阶段渗漏水量初步估算约2000 m3/d,运营成本相对较高; 全盾构方案建设成本较组合工法方案高约 26%。

经综合对比,全盾构法方案和盾构法 +矿山法组合方案在技术上均可行,两者工期也基本相当。 但考虑到组合工法方案可以发挥盾构法在两端软弱含水地层中的技术和经济优势,中间段充分发挥矿山法在硬岩段的工效及经济优势; 且组合工法方案整体投资相对于全盾构法方案大大降低。 因此,综合考虑技术、风险控制及经济等因素,推荐采用盾构法 +矿山法组合方案作为实施方案。

3 盾构段设计关键技术

3. 1. 1 盾构选型

采用盾构法施工的隧道分为 2 段,万顷沙侧盾构段主要穿越地层为全土层( 主要为淤泥、砂层及全风化片岩层) 1 870 m,上软下硬地层( 弱、微风化片岩)378 m, 弱、 微风化片岩层682 m, 最大水压达0. 88 MPa; 虎门侧盾构主要穿越地层为全土层( 主要为淤泥、砂层及全风化含砾砂岩层) 300 m,上软下硬地层( 弱、微风化含砾砂岩) 540 m,弱、微风化花岗岩岩层 ( 含断层破碎带和风化槽)930 m,弱、微风化含砾砂岩层 1 820 m,最大水压达 1. 06 MPa。 根据调研的相关施工案例,在复合地层中施工以泥水平衡盾构为主,特别是穿江越海隧道,地下水压力大于 0. 3 MPa时,泥水平衡盾构在复合地层的施工技术已较为成熟,进度、质量、施工风险都处于可控状态,故推荐采用泥水平衡盾构。 珠江口隧道地层复杂,埋深大,频繁的换刀工作必不可少,超过 30 m 的埋深采取人工带压进舱换刀的工效将极低,因此,盾构需配备常压刀盘,以有效解决高水压不良地质换刀风险和工效问题。

3. 1. 2 盾构换刀

由本项目勘察报告可知,区段内花岗岩层石英质量分数为 28%,含砾砂岩石英质量分数为 13%,片岩石英质量分数为55%, 且花岗岩和片岩具有强耐磨性。 万顷沙侧盾构穿越花岗岩和片岩长度为1060 m,虎门侧盾构穿越花岗岩长度为 930 m,且以上地层交替出现,对盾构换刀提出如下要求:

1) 对于水压力 < 0. 6 MPa 的砂层、软土及风化岩层采用常压换刀和带压换刀相结合的方式。 参考已有
相关工程案例, 本工程在全土层中盾构掘进暂按400 m/次进行带压换刀,上软下硬地层及硬岩层考虑300 m/次进行带压换刀。

2) 对于 0. 6 MPa<水压力<0. 8 MPa 地质条件较好的地段,采用常压换刀和减压限排换刀方式。

3) 对于>0. 6 MPa 的超高水压、地质条件差的地段(如 F1 断裂带及其影响带长 480 m,基岩主要为破碎程度不均的花岗岩,最大水压达 1. 03 MPa,主要为构造角砾岩,局部为角砾夹泥。 角砾岩岩质软,易吸水软化、失水干裂),在通过地质钻孔确定岩层好的地段进行前期刀具检测和换刀,一次性通过不良地层,以确保工程安全。

3. 2 盾构法隧道防水设计

3. 2. 1 管片自防水

随着近年各地大型过江河湖海盾构隧道的建设,逐渐认识到盾构隧道防水的根本为混凝土结构的自防水,这是其他任何防水措施均无法替代的,其最终的防水效果均取决于混凝土的防渗、抗裂质量。 高水压条件下,还需从衬砌的结构设计、管片拼装质量和控制隧道后期不均匀沉降等多方面进行考虑。 根据国内外的施工经验,用于盾构管片的高性能混凝土应满足下列要求:

1) 水胶比不大于0. 35, 混凝土塌落度小于60mm;

2) 混凝土等级取 C55 和 C60;

3) 具有高抗渗性,抗渗等级大于 P12;

4) 氯离子扩散系数小于 4×10-12 m2/s;

5) 低碱集料反应性,碱含量≤3 kg/m3。

3. 2. 2 管片接缝防水

管片接缝防水设计是盾构隧道防水的另一个重要方面,对于隧道后期的运营安全至关重要。 本工程面临1. 0 MPa 以上的超高水压,类似工程如佛莞狮子洋城际铁路隧道内径 12 m,最大水压按 0. 78 MPa 考虑,管片厚度为 550 mm,接缝防水采用三元乙丙橡胶弹性密封垫+遇水膨胀止水条方式; 跨越欧亚—博斯普鲁斯海峡公路隧道内径 12 m,最大埋深达 106 m,管片厚度为 600 mm,接缝防水采用双道三元乙丙橡胶弹性密封垫方式。 本隧道根据水压情况对两侧盾构隧道分别设计,万顷沙侧水压较小,采用外侧一道三元乙丙弹性密封垫+内侧遇水膨胀止水条的接缝防水措施; 虎门侧水压大,采用内外对称布置双道三元乙丙弹性密封垫的防水措施,如图 8 所示。

图 8 双道三元乙丙弹性密封垫接缝防水设计

4 矿山段隧道设计关键技术

4. 1 水压力确定

矿山法海底隧道因其结构形式、受力特点、施工方式的影响,水压力≤0. 6 MPa 时,一般可采用全封堵衬
砌不排水设计,结构外水压力不进行折减; 水压力 >0. 6 MPa 时,一般采用排水型衬砌,其外水压力需根据围岩、注浆圈及衬砌渗透性进行折减。 排水型衬砌本身具有一定的排水能力,但如何将隧道排导系统的排水效应进行量化,以便确定合适的外水压力是十分复杂的问题。 根据解析计算,可以用“ 堵水效果” 来表示排导系统的排水效应,即通过衬砌实施前后排水量大小的对比,确定外水压力折减系数。

贺维国等对青岛胶州湾隧道、青岛地铁 1 号线过海隧道、青岛地铁 8 号线过海隧道、厦门地铁 3 号线
过海隧道等 4 座采用排水型衬砌的隧道开展现场水压力测试,获取了 100 余组衬砌背后水压力测试数据。数据表明,监测前期衬砌背后水压力值波动明显,但整体呈增长趋势,增长幅度在 5 kPa 以内; 随着初期支护封闭成环,水压力逐渐增长并趋于稳定。 在水压力的长期监测过程中,由于测试段的渗漏水及围岩情况,可能会导致水压力突增。 通过注浆等手段,会使水压力减小,随后开始慢慢增大。

青岛胶州湾隧道最大水压力最终稳定在 30 kPa左右( 见图 9) ; 青岛 1 号线过海隧道最大水压力值可达 60 kPa; 厦门 3 号线最大水压力达 80 kPa,出现在 ZDK16+ 635 断面右拱腰位置; 青岛 8 号线 3 个监测断面初期支护水压力( 见 图 10 ) 最终均稳定在50 kPa 以下,相当于5m水头产生的静水压力,3 个断面隧道拱顶处的总水头介于 51 ~ 55 m,由此可见,现场量测的初期支护外水压力不足总水头的 10%。 综合水工隧洞规范及注浆限排计算和现场测试数据等分析,本隧道矿山段水压力按 0. 2 MPa 进行核算。 后期施工过程中,可以通过对衬砌实施前后排水量的监测核实修正水压力确定值。

图 9 青岛胶州湾隧道监测断面水压力测试曲线(2009 年)

图 10 青岛 8 号线过海隧道断面水压力测试曲线(2020 年)

4. 2 矿山法隧道防排水

隧道防排水设计遵循 “ 以 堵 为 主, 限 量 排 放” 原则,应做到“ 严堵 +畅排” 。 根据超前地质预报系统分析前方地质破碎状况,形成超前注浆—初期支护—注浆堵水—防水层—二次衬砌防水混凝土的防水系统,重点处理施工缝和沉降缝防水的薄弱部位。

4. 2. 1 隧道防水设计

本矿山法隧道主要穿越地层为弱风化花岗岩及弱风化片岩,并穿越 F2 断层( 260 m) 、f1—f7 次生断层
(合计 140 m,主要为构造角砾夹泥) 。 对断层范围采用超前注浆加固 + 大管棚 + 三台阶临时仰拱法通过。隧道内注浆采用超前全断面注浆、周边帷幕注浆、超前局部注浆和开挖后径向注浆、局部注浆等。 对于超前探水孔单孔出水量>5 L/min,或每循环所有超前探孔总出水量>10 L/min 时需要对围岩进行超前预注浆; 开挖后检测孔单孔出水量>0. 15 L/(min·m)时,需要对周边围岩进行后注浆,开挖后局部出水点渗水量≥2 L/(m2·d)时,需要对出水部位进行后注浆。

4. 2. 2 隧道排水设计

隧道排水首先是排水量控制,通过施工期间超前预注浆、开挖后径向注浆、初期支护自防水等措施将运
营隧道渗水量综合控制在 0. 3m3/( m·d) 。 排水系统由反粘防水板、凹凸排水板、衬砌背后纵向排水管、横向泄水管、中心水沟、隧底独立排水系统组成,确保渗入衬砌背后的地下水能及时排走。 最低点设置废水泵房,位于斜井底部,集水池有效容积按4000m3确定,洞内废水埋管引入泵房,集中抽排至地面管网。排水系统要求可维护性, 纵向排水管采用防结晶HDPE150 双壁打孔波纹管,每隔 12 m 分段引入侧沟,以便于排水管路的维护。

5 海域对接设计

在软弱含水地层中修建长隧道盾构法具有技术和经济方面的优势,而矿山法穿越海底硬岩段优势更加明显。 长大跨海隧道场址范围内水文及地质条件往往差异悬殊,为充分发挥不同工法优势,将 2 种甚至多种工法组合修建隧道是一种值得推荐的方案,但是盾构法隧道与矿山法隧道在海底对接是一个难题。 目前盾构和矿山法隧道在海底对接主要有 2 种拆机方案: 1)专门做拆机硐室; 2) 盾构掘进完成后原地破坏性拆除。

5. 1 拆机硐室方案

本隧道盾构开挖直径约 13. 4m,设备总质量约3600 t,主要的大结构件为刀盘、盾体、主驱动等,最大最重结构件为主驱动,质量为 340t。 拆机硐室方案需做专门的拆机硐室,在盾构开挖过程中采用钻爆法提前将开挖硐室开挖完成。 开挖后安装专门的吊机设备,所需吊机质量约为 2×200t。

5. 2 破坏性拆除方案

破坏性拆除需提前做好以下工作: 1) 进行超前注浆作业,确保拆机区域内地层稳定,满足长时间停机要求; 2) 对拆机区域管片进行加固 ( 增大二次注浆和增加钢拱架加固) , 防止拆机时管片松动和扭转; 3) 在管片上设置加固吊点; 4) 考虑设备分块设计,将主机部分的主机梁、油缸、管片拼装机、人舱等拆除; 5) 定 制专用运输车辆,运输主轴承等大型结构件。

5. 3 拆机方案比选

2 种海域对接方案比选见表 3。

表 3 海域对接方案比选

2 种方案对接位置均应选在岩石完整性好的微风化花岗岩层中,岩层覆盖厚度应大于 2 倍洞径。 从表3 中可以看出,若施工组织和地层具备开挖拆机硐室的条件,无论从工期和费用,拆机硐室方案都占很大优
势。 因此,推荐本项目采用开挖拆机硐室方案。 海底对接扩大硐室断面设计如图 11 所示。

此外,海底隧道修建受施工作业面、工程地质、地下水等复杂条件的影响,盾构法隧道和矿山法隧道对接施工的位置,需根据实际施工情况进行动态调整,为满足不同条件下的工法对接,设计预留了盾构原位自解体后矿山法接力施工的条件。 对于盾构先行到达预设对接点位,考虑盾构原位解体矿山法接力建造,盾构在设计时采用“ 双壳” 模式。 通过盾壳留置保护拆机、双层防护、盾构段轨底空间分层施作等工艺,克服有限空间盾构解体、管片受损、长距离单线无轨运输、工法转换阶段通风、长距离反坡排水等技术难题,实现不同方法掘进长度的动态调整,最大限度地提高隧道的平均施工效率。

图 11 海底对接扩大硐室断面设计(单位: cm)

6 斜井降水

6. 1 斜井超前加固

中间矿山法段长5520m, 通过设置在南沙岛上邻近海边的斜井开辟工作面进行正线矿山段施工,斜井长1160 m,最大纵坡 11. 5%,最大埋深约 115m。斜井主要穿越地层为流塑状淤泥质土、硬塑状粉质黏土、软塑状粉质黏土、全—强风化花岗岩及局部弱风化基岩突起( 见 图 12 ) 。为确保斜井施工顺利进行,对浅埋穿越淤泥段采取超前预加固措施。 斜井由浅至深,预加固措施依次采用 ϕ600 mm @ 500 mm水泥搅拌桩满堂加固、ϕ800 mm 地表旋喷桩加固及袖阀管地表注浆加固。

图 12 斜井地质纵断面图

6. 2 斜井降水措施

实际开挖过程中,上台阶地下水较发育,多呈滴水或散状流水,施工掌子面难以自稳,易发生垮塌掉块。同时,仰拱开挖完成后易成为汇水区,施工难度大,施工进度慢。

鉴于此,考虑到大坡度抽排水难,且地下水对全强风化花岗岩影响大,易造成其崩解,故启动地面降水措施。 降水井基本对称分布在斜井两侧,降水井横向距离隧道中心约 11. 0 m; 降水井纵向间距不大于10 m,共计 48 口 井。斜井地面降水平面设计如图13 所示。 地层渗透系数如表 4 所示。 降水作业后,上下台阶作业过程中基本无水, 掌子面稳定性增强; 仰拱开挖完成后, 基本无水, 施工难度相对较小,现场Ⅴ级围岩施工工效提高170% ~ 230% 。实践证明,虽然 斜井邻近海边, 但降低水位保障地层稳定是可以实现的。

图 13 斜井地面降水平面设计

表 4 地层渗透系数

7 结论与讨论

珠江口隧道作为深江铁路的重点工程,是目前我国埋置最深、水压最大的矿山与盾构组合工法建设的
海底隧道,本文结合工程地质条件和类似工程经验对其关键设计技术进行了分析,得到的主要结论如下:

1) 结合不同区段地质情况基于关键因素确定采用盾构-矿山组合的隧道施工方法,使得工程建设更加安全高效。

2) 盾构段换刀根据不同水压考虑采用常压换刀、减压限排换刀或设置检修点一次性通过不良地层的模
式; 钢筋混凝土管片厚度根据最大水压力分段设计;大直径超高水压盾构隧道宜采用内外分开双道三元乙
丙弹性密封垫的布置形式,通过提高拼装精度来达到密封防水的目的。

3) 矿山法段隧道结构承受水压力按 0. 2 MPa 进行核算,后期通过对衬砌实施前后排水量的监测核实修正水压力确定值; 隧道防排水考虑采用超前注浆控制排水量,排水系统可维护。

4) 海域对接位置应选在岩石完整性好的岩层中,施工组织和地层具备开挖拆机硐室的条件时,推荐采用开挖拆机硐室方案,同时预留盾构原位拆解的条件。

5) 隧道斜井邻近海边,穿越软土和全强风化岩层等透水地层,暗挖施工需考虑降水结合地层预加固的方式。

海底隧道作为跨越水域的重要交通基础设施,其建设技术正朝着智能化、高精度、复杂地质适应性等方
向快速发展。 技术的迭代不仅依赖于工程经验的积累,更需产学研协同攻关。 本文探讨的海底隧道设计
关键技术仍限于经验的总结与延申,还需在今后的实践与发展中不断探索。

隧道网版权及免责声明:

凡本网注明“来源:隧道网”的所有作品,版权均属于隧道网,未经本网授权,不得转载、摘编或以其它方式使用上述作品。已经本网授权使用作品的,须在授权范围内使用,并注明“来源:隧道网”。违反上述声明者,本网将保留追究其相关法律责任的权利。凡本网来源注明为非隧道网的作品,均转载自其它媒体,转载目的在于传递更多信息,该文章仅代表作者观点,并不代表本网赞同其观点或对其真实性负责,请读者自行核实相关内容,仅作参考。如因作品内容、版权和其它问题请与本网联系。

关键词

相关文章

网友评论

发表评论

发表评论 (回复限1000字以内!)

加载更多...


隧道网手机版
隧道网微信公众号
╳ 关闭